ráfek MACH1 24" ER-10 Combo V-brake 36děr/černý
Kód: 22920/24Slevy při koupi 2 ks a více. Až -7%
Slevy u vybraných produktů 2 a více ks sleva až 7 % Pro získání slevy -6 % u kola se slevovým kódem. Zkopirujte AKCE6 a v košíku vložte a sleva se vám projeví. E-kola s motorem Bafang a Panasonic jsou nastaveny na rychlost 27,5 km/h
Detailní popis produktu
MTB ráfek MACH1 ER-10 , který nahrazuje předchozí, profilově stejný model 210/220/MX/Revo/Combo- 36 děr
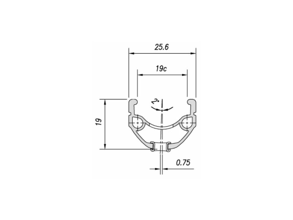
- venkovní šířka 25,6 mm
- vnitřní šířka 19 mm
- výška 19 mm
- ERD 485 mm
- materiál Alloy 6063T6
- hmotnost 445 g
- černý
- díra pro ventilek 8,5 mm
Distributor: Cyklomax, spol. s r.o., Pardubická 504, 533 52 Srch. E-mail: info@cyklomax.cz
Doplňkové parametry
| Kategorie: | Ráfky 24" |
|---|---|
| Záruka: | záruka 2 roky |
| EAN: | 2292000000007 |
Hodnocení produktu
Buďte první, kdo napíše příspěvek k této položce.
Diskuze
Buďte první, kdo napíše příspěvek k této položce.





